750N - PN40
FLOATING SPLIT BODY FORGED BALL VALVE FULL BORE |
Rating:
ANSI 150-600 PN 16-40
PN6, PN420, ANSI 900-2500 Available on request
|
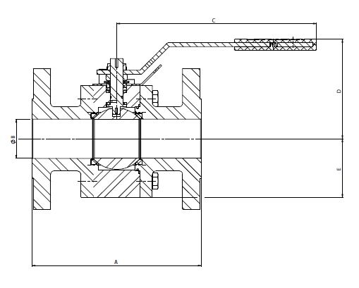
Dimensions Open the details
|
|
|
| SIZE |
DN 15 |
DN 20 |
DN 25 |
DN 32 |
DN 40 |
DN 50 |
DN 65 |
DN 80 |
DN 100 |
DN 125 |
DN 150 |
| A |
115 |
120 |
125 |
130 |
140 |
150 |
170 |
180 |
190 |
325 |
350 |
| B |
ø13 |
ø19 |
ø25 |
ø28 |
ø38 |
ø49 |
ø62 |
ø74 |
ø100 |
ø118 |
ø150 |
| C |
138,5 |
138,5 |
171 |
171 |
260 |
260 |
333 |
333 |
427 |
427 |
472 |
| D |
85 |
89 |
97 |
101 |
119 |
127 |
147,5 |
158 |
174 |
189 |
227 |
| E |
47,5 |
52,5 |
57,5 |
70 |
75 |
82,5 |
92,5 |
100 |
117,5 |
135 |
150 |
| WEIGHT KG. |
3 |
4 |
5,2 |
7 |
10 |
13,5 |
21,5 |
26 |
30,5 |
61 |
96 |
| Dimensions in mm |
|
|
|
|
|
|
|
|
|
|
|
|
Description & Materials Open the details |
| When the line is to be protected by two isolation valves and a bleed valve, a Double Block and Bleed valve allows to have the same protection
of the line saving space, weight and cost.Double Block and Bleed valves are a combination of two balls in one body, with a bleed valve to vent
the body cavity between the two balls. The bleed valve can be a needle, gate or ball valve as per project requirementsThese valves are available
with trunnion mounted or floating ball design and can be manufactured from forgings or forged bars and designed for any service condition
(high temperature, cryogenic, etc.).
| POS |
DESCRIPTION |
MATERIAL |
SPARE PARTS (QTY) |
| 1 |
BODY |
A105 |
304 |
316 |
|
| 2 |
CLOSURE |
A105 |
304 |
316 |
|
| 3 |
BALL |
304 |
304 |
316 |
ON REQUEST |
| 4 |
STEM |
304 |
304 |
316 |
|
| 5 |
SEAT |
PTFE |
PTFE |
PTFE |
2 |
| 6 |
WASHER |
PTFE |
PTFE |
PTFE |
1 |
| 7 |
SPRING WASHER |
C72 |
C72 |
C72 |
ON REQUEST |
| 8 |
NUT |
6S |
6S |
6S |
ON REQUEST |
| 9 |
LOCKING DEVICE |
FE410 |
FE410 |
FE410 |
|
| 10 |
TE SCREW |
8,8 |
8,8 |
8,8 |
ON REQUEST |
| 11 |
LEVER STOP |
FE410 |
FE410 |
FE410 |
ON REQUEST |
| 12 |
TE SCREW |
8,8 |
8,8 |
8,8 |
|
| 13 |
ANATOMIC LEVER |
GALV. STEEL |
GALV. STEEL |
GALV. STEEL |
ON REQUEST |
| 14 |
CHEVRON |
RPTFE |
RPTFE |
RPTFE |
1 |
| 15 |
GASKET |
GRAPHITE |
GRAPHITE |
GRAPHITE |
1 |
| 16 |
GASKET |
PTFE |
PTFE |
PTFE |
1 |
| 17 |
O-RING |
NBR |
NBR |
NBR |
1 |
| 18 |
O-RING |
NBR |
NBR |
NBR |
1 |
| 19 |
ANTISTATIC BALL |
304 |
304 |
316 |
|
| 20 |
ANTISTATIC SPRING |
304 |
304 |
316 |
|
| 21 |
BOLT / NUT |
B7/2H |
B8M/8M |
B8M/8M |
|
| 22 |
WASHER |
304 |
304 |
304 |
|
|
| Catalogue |
Download the linked file |
Catalogue |
|
FLANGE
TOP MOUNTING & TORQUES
|